概要
M4i.9620-x8は、マルチトーンDDSを搭載した625MHz 16bit 1ch のPCI Expressタイプ高速D/Aボードです。
DDS(ダイレクトデジタルシンセシス)は、単一の固定周波数リファレンスクロックから正弦波を生成する手法であり、信号生成アプリケーションで広く使用されています。Spectrum製のAWGプラットフォームに実装されたDDS機能は、複数の「DDSコア」を追加してマルチキャリア(マルチトーン)信号を生成するという原理に基づいています。各キャリアは、明確に定義された周波数、振幅、位相を持ちます。これらの静的パラメータに加えて、周波数スロープや振幅スロープなどの動的パラメータも組み込まれており、複数のコアに固有の線形変化を可能にします。
レーザ、量子コンピュータなどのアプリケーションに最適です。
- 仕様
-
D/Aコンバータ 625MHz, 16bit, 1ch DDS周波数帯域 DC ~ 200MHz ドライバ Windows, Linux タイプ PCIe - M4i.9600シリーズ共通機能
- ▮ FPGAベースDDS搭載の高速16ビットDAC
▮ 625MS/sのDAC出力レートを備えた1、2、または4チャンネルボード
▮ DDS周波数:DC~200MHz
▮ DDSコマンド設定:周波数、振幅、位相、周波数スロープ、振幅スロープ、トリガー待機、デジタル出力
▮ DDSコマンドは6.4ns間隔で発行可能
▮ 出力レベル:±80mV~±2.5V(50Ω負荷時)(高インピーダンス負荷時:±160mV~±5V)
▮ トリガーから出力までの固定遅延
▮ 高速PCI Express x8 Gen2インターフェース
▮ 512Mi DDSコマンド対応の大容量オンボードメモリ
▮ AND/OR機能付き2つのトリガー入出力
▮ システムあたり最大8枚のカードを同期可能
▮ 対応OS:Windows、Linuxを標準サポート
▮ プログラミング言語:C, C++, C#, Python, Julia, Java, VB.NET, Delphi
▮ ソフトウェアドライバ: LabVIEW、MATLAB
- GPUダイレクト転送SDK (SCAPP) オプション
- SCAPPは、強力な信号とデータ処理を必要とするアプリケーションのため、GPGPUへのダイレクトデータ転送を可能にするSDKパッケージです。Spectrum製デジタイザまたはAWGカードとGPUカード間のダイレクトリンクが可能になり、ユーザはGPUの演算コア(最大5000)と大容量メモリ(最大24GB)の優れた処理能力を利用することができます。SCAPPはRDMA(Remote Direct Memory Access)プロセスを利用して、GPUカード間でPCI Express経由の高速データ転送を可能にします。
SCAPP SDKにはデジタイザ/AWGとGPUカード間の相互転送サンプル、フィルタリング、平均化、デマルチプレクス、データ変換、FFT等の基本機能のビルディングブロックを備えたCUDA並列処理サンプルが含まれています。全てのソフトウェアはC/C++に基づいており、通常のプログラミングスキルで簡単に実装・変更・拡張が可能です。OSはLinux対応。
- NVIDIA Jetsonをサポート
NVIDIA Jetsonは、高性能並列処理のためのARM CPUとCUDAベースのGPUで構成されています。 JetsonにはPCIeカードをインストールできるPCIeスロットが1つあり、GPUの高速並列処理により、Spectrum製品で取得および生成できる大量のデータを処理するための完全なプラットフォームになります。SpectrumのSCAPP(Spectrum’s CUDA Access Parallel Processing)により、NVIDIA Jetsonの演算能力を最大限に活用できます。

- NVIDIA Claraをサポート
NVIDIA Clara AGX開発者キットは、ソフトウェア定義のAI対応のリアルタイムのポイントオブケア医療機器を開発するための使いやすいプラットフォームを提供します。NVIDIA Jetson AGX Xavier™組み込みArmシステムオンチップ(SoC)の柔軟性、NVIDIA RTX™6000 GPUのパフォーマンス、およびNVIDIA ConnectX SmartNIC、ClaraAGX。このキットには、フルスタックのGPUアクセラレーションライブラリ、SDK、リファレンスアプリケーションが含まれています。
NVIDIA ClaraシステムにSpectrum I/Oカードを追加することで、センサー信号を取得、生成、保存、および処理することができます。I/Oカード、プロセッサ、GPU間でデータをストリーミングできます。実際、GPUの高速並列処理機能により、Spectrum製品によって取得および生成できる大量のデータを処理するための完璧なプラットフォームになります。Spectrum社はすでにSCAPP(Spectrumの並列処理用CUDAアクセス)を提供しており、GPUベースのデータ処理を最速のストリーミングレートでも簡単に実現することができます。
- 高性能PCをご用意しています
A/DボードをPCにインストールする場合、以下の事を検討する必要があります。
1.インストールスロットの物理的寸法- ⇒ボードの奥行・高さ、隣接スロットの干渉などを考慮
2.PCIeスロットの物理的レーン数 - ⇒ボードとM/Bのレーン数(x1/x4/x8/x16)を物理的・電気的に検討
3.PCIeスロットの電気的互換性(Gen1/2/3) - ⇒ボードとM/Bのパフォーマンス(Gen1/2/3)適合性を検討
4.OSとの互換性 - ⇒Windows 7/8/10, Linux, 32bit/64bitドライバとの適合性を検討
これらの検討事項を考慮した最適なPCをご用意いたします。
ラックマウントタイプやデスクトップタイプ、CPUの性能や数、メモリの容量などお客様のご要望に合わせてビルドアップいたします。また、オプションで高速RAIDドライブを追加することも可能ですので長時間の記録が必要なアプリケーションに最適です。
- MADE IN GERMANY -信頼のドイツ製-
1989年にドイツGrosshansdorfで設立されたSpectrum Instrumentation社は、信号取得および信号生成用の超高速で高分解能の計測用ボードシステム製品を開発および製造しているデータアクイジションのリーディングメーカーです。PCカード(PCIe/PXIe)又はスタンドアロンイーサネットユニット(LXI)として利用可能な 200種類を超えるさまざまなデジタイザおよび任意波形発生器(AWG)を提供する独自のモジュラーコンセプトを採用しています。この幅広い製品ラインナップにより、お客様のニーズに合わせた最適なソリューションを提供することができます。
Spectrum社のユーザは、国際的な製造企業だけでなく主要な大学や研究機関も含まれます。例えば、Spectrum社の製品はCERN(欧州原子核研究機構)の粒子加速器や量子研究で使用されており、これは製品が非常に低ノイズで正確であるため、個々の原子の誘導にも使用できるためです。国際的なサービスと販売ネットワークで、ヨーロッパ、アジア、オーストラリア、アメリカなどすでに39か国以上のお客様にご利用いただいています。
- SPECTRUM製品ラインナップのご案内
1989年に設立されたSpectrum Instrumentation社は、モジュラー設計技術を使用して、業界をリードするPCカード(PCIeおよびPXIe)およびスタンドアロンイーサネットユニット(LXI)として200製品を超えるデジタイザーおよびジェネレーター製品を設計・製造しています。
Spectrum Instrumentation社は、30年以上にわたり世界中のお客様に高度な製品を提供し、その信頼性において高い評価を得ています。
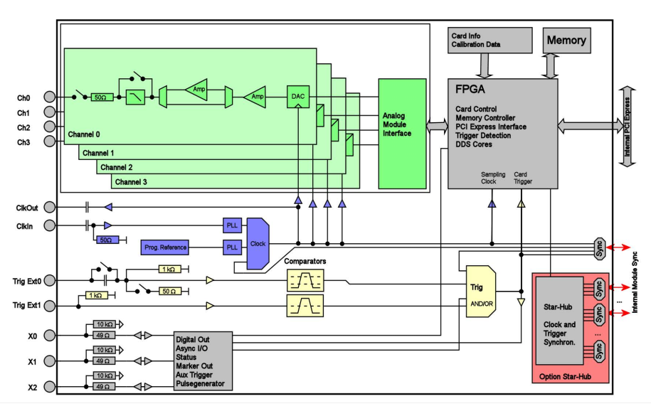
ブロック図
スペック
| D/Aサンプリングレート | 625 MS/s |
| 出力チャンネル数 | 1 ch |
| 出力コネクタ | SMA female |
| 分解能 | 16 bit |
| 帯域幅 | 200 MHz |
| DDSメモリ | 512 MiCommands |
| 出力レンジ(50 Ohm) | ±80 mV ~ ±2.5 V (プログラマブル) |
| 出力レンジ(High Impedance) | ±160 mV ~ ±5 V (プログラマブル) |
| DDSコア | 50コア |
| DDSコマンド | 周波数設定、振幅設定、位相設定、周波数スロープ設定、振幅スロープ設定 |
| 複数ボード同期 | 最大8枚 (※Star-Hub利用時) |
| ホストインタフェース | PCIe:Gen.2, x8 |
| 動作温度 | 0 ~ +50℃ |
| 保存温度 | -10 ~ +70℃ |
| 湿度 | 10 ~ 90% |
| フォームファクタ | PCI Express |


