概要
M5i.6357-x16は、10GS/sのD/Aコンバータを搭載した任意波形ジェネレータ(AWG)ボードです。
サンプリングレートは1chで10GS/s、2chで5GS/sをサポートし、16bitの分解能を備えているため速度と分解能の両方で最高のパフォーマンスを提供します。また、オプションのStar-Hubを使用することで最大16chを同期することができます。最大 1 Vpp のシングルエンド (50 オーム) または ±1.0 V 差動 (100 オーム) の高出力レベルで、最大 2.5 GHz の信号周波数で最高の AWG パフォーマンスを提供します。オプションのSCAPPによりGPGPUカードからのダイレクトデータ転送もサポートします。標準で添付されるGUIソフト『SBench 6』によりデータ生成が容易に行えます。超音波、レーダ、LiDAR、無線通信、レーザ、加速器、非破壊検査などのアプリケーションに最適です。Windows又はLinux対応。
- 仕様
-
D/Aコンバータ 10GHz, 16bit, 1ch / 5GHz, 16bit, 2ch 周波数帯域 2.5GHz ドライバ Windows, Linux タイプ PCIe - 特徴
- ▮ 16bitの高速任意波形ジェネレータ
▮ 最大10GS/s(1ch)、5GS/s(2ch)の高速サンプリング
▮ 最大2.5GHzの出力信号帯域幅
▮ シングルエンド又は差動出力を選択可能
▮ シングルエンド出力 1 Vpp/4 dBm (50Ω)、2 Vpp/10 dBm (ハイインピーダンス)
▮ 差動出力レベル ±1 V (100Ω)、±2 V (ハイインピーダンス)
▮ 固定トリガーで出力遅延をサポート
▮ 超高速PCI Express x16 Gen3 ホストインタフェース
▮ 2Gサンプル(オプション:8Gサンプル)オンボードメモリ
▮ FIFOモードにより連続ストリーミング出力サポート
▮ シングルショット、繰り返し、ループ、FIFO、マルチ再生モード
▮ Star-Hubオプションにより最大8枚のカードを同期可能
▮ SCAPPオプションを使用してCUDA GPUカードからのダイレクトデータ転送サポート
▮ WindowsとLinuxをサポート
- 高性能PCをご用意しています
D/AボードをPCにインストールする場合、以下の事を検討する必要があります。
1.インストールスロットの物理的寸法- ⇒ボードの奥行・高さ、隣接スロットの干渉などを検討
2.PCIeスロットの物理的レーン数 - ⇒ボードとM/Bのレーン数(x1/x4/x8/x16)を物理的・電気的に検討
3.PCIeスロットの電気的互換性(Gen1/2/3) - ⇒ボードとM/Bのパフォーマンス(Gen1/2/3)適合性を検討
4.OSとの互換性 - ⇒Windows 7/8/10, Linux, 32bit/64bitドライバとの適合性を検討
これらの検討事項を考慮した最適なPCをご用意いたします。
ラックマウントタイプやデスクトップタイプ、CPUの性能や数、メモリの容量などお客様のご要望に合わせてビルドアップいたします。また、オプションで高速RAIDドライブを追加することも可能ですので長時間の記録が必要なアプリケーションに最適です。
- GPUダイレクト転送SDK (SCAPP) オプション
- SCAPPは、強力な信号とデータ処理を必要とするアプリケーションのため、GPGPUへのダイレクトデータ転送を可能にするSDKパッケージです。Spectrum製デジタイザまたはAWGカードとGPUカード間のダイレクトリンクが可能になり、ユーザはGPUの演算コア(最大5000)と大容量メモリ(最大24GB)の優れた処理能力を利用することができます。SCAPPはRDMA(Remote Direct Memory Access)プロセスを利用して、GPUカード間でPCI Express経由の高速データ転送を可能にします。
SCAPP SDKにはデジタイザ/AWGとGPUカード間の相互転送サンプル、フィルタリング、平均化、デマルチプレクス、データ変換、FFT等の基本機能のビルディングブロックを備えたCUDA並列処理サンプルが含まれています。全てのソフトウェアはC/C++に基づいており、通常のプログラミングスキルで簡単に実装・変更・拡張が可能です。OSはLinux対応。
- MADE IN GERMANY -信頼のドイツ製-
1989年にドイツGrosshansdorfで設立されたSpectrum Instrumentation社は、信号取得および信号生成用の超高速で高分解能の計測用ボードシステム製品を開発および製造しているデータアクイジションのリーディングメーカーです。PCカード(PCIe/PXIe)又はスタンドアロンイーサネットユニット(LXI)として利用可能な 200種類を超えるさまざまなデジタイザおよび任意波形発生器(AWG)を提供する独自のモジュラーコンセプトを採用しています。この幅広い製品ラインナップにより、お客様のニーズに合わせた最適なソリューションを提供することができます。
Spectrum社のユーザは、国際的な製造企業だけでなく主要な大学や研究機関も含まれます。例えば、Spectrum社の製品はCERN(欧州原子核研究機構)の粒子加速器や量子研究で使用されており、これは製品が非常に低ノイズで正確であるため、個々の原子の誘導にも使用できるためです。国際的なサービスと販売ネットワークで、ヨーロッパ、アジア、オーストラリア、アメリカなどすでに39か国以上のお客様にご利用いただいています。
- SPECTRUM製品ラインナップのご案内
1989年に設立されたSpectrum Instrumentation社は、モジュラー設計技術を使用して、業界をリードするPCカード(PCIeおよびPXIe)およびスタンドアロンイーサネットユニット(LXI)として200製品を超えるデジタイザーおよびジェネレーター製品を設計・製造しています。
Spectrum Instrumentation社は、30年以上にわたり世界中のお客様に高度な製品を提供し、その信頼性において高い評価を得ています。
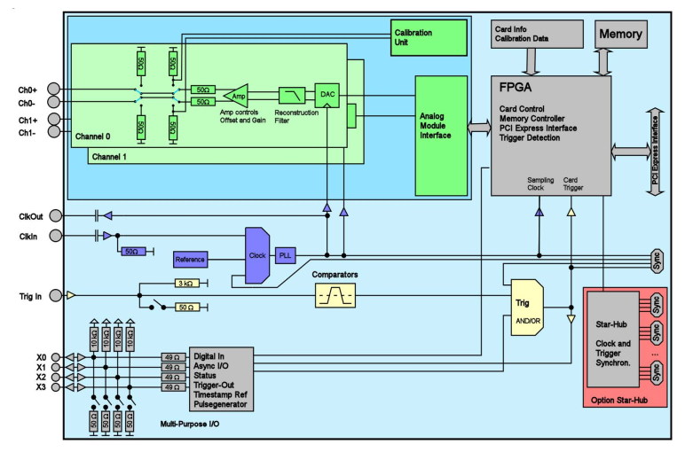
ブロック図
スペック
| D/Aサンプリングレート | 10 GS/s, 5 GS/s |
| 出力チャンネル数 | 1ch, 2ch |
| 出力コネクタ | SMA female |
| 分解能 | 16bit |
| 帯域幅 | 2.5GHz |
| サンプリング | 同時サンプリング(全チャンネル) |
| オンボードメモリ | 2G SAmple(標準) |
| 出力レンジ (100 Ohm) | ±2 mV ~ ±1 V (2mVステップ) |
| 出力レンジ (50 Ohm) | ±1 mV ~ ±500 mV (1mVステップ) |
| 再生モード | Single-Shot, Repeated, Loop, FIFO, Multiple Replay |
| クロック | オンボード, 外部クロック |
| 複数ボード同期 | 最大8枚 (*Star-Hub利用時) |
| ホストインタフェース | PCIe:Gen.3, x16 |
| 連続ストリーミング | 最大 12.8 GB/s |
| 動作温度 | 0 ~ +50℃ |
| 保存温度 | -10 ~ +70℃ |
| 湿度 | 10 ~ 90% |
| フォームファクタ | PCI Express (Double slot) |


