概要
DN2.657-08は、高レベル出力に対応し 125MHz 16bit 8ch のDAコンバータを搭載した LAN接続D/Aボックスです。
デスクトップPC又はノートPCにLAN接続し、多チャンネルの任意波形信号を生成する事が可能です。最大±12V出力に対応しており、全チャンネル同時出力が可能で、オンボードメモリに書き込んだデータを出力することができます。『LXI (LAN eXtensions for Instrumentation)規格』に対応していますので遠隔(ローカルエリア、インターネット経由)でのリモート制御が可能です。また、標準で添付されるGUIソフト『SBench 6』によりデータ生成が容易に行えます。
超音波、レーダ、ソナー、無線通信、レーザ、加速器、非破壊検査などのアプリケーションに最適です。
- 仕様
-
D/Aコンバータ 125MHz, 16bit, 8ch 帯域幅 最大70MHz 出力レベル ±12V(ハイインピーダンス) インタフェース 1x Gigabit Ethernet (LXI規格互換) ドライバ Windows, Linux タイプ ボックス - DN2.657シリーズ共通機能
- ▮ 8チャネルで125MS/s同時 DAサンプリング出力
▮ 高速で16ビットの任意波形発生器 (AWG)
▮ アナログ信号最大出力レベル±12V (ハイインピーダンス)
▮ トリガー出力をサポート
▮ シングルショット、ループ、ゲート、シーケンスモードサポート
▮ チャンネル毎に64Mサンプル大容量メモリ搭載
▮ LXI互換により外部PC端末からのリモートアクセスが可能
▮ BNC接続による簡単な接続
▮ 『Multiple Replay』により短い周期での連続トリガによるDAサンプリングを実現
▮ 『Gate Replay』によりトリガゲートが開いている間のみDAサンプリングを実現
▮ 『Sequence mode』により動的にDA出力データの変更が可能
▮ データ出力、波形描画等の機能を持ったデータ再生GUIソフトウェア『SBench 6』を標準添付
▮ 対応OS:Windows, Linuxを標準サポート
▮ ソフトウェアドライバ:LabVIEW, MATLAB, LabWindows/CVI, IVI
- LXI (LAN eXtensions for Instrumentation) について
LAN接続D/Aボックス製品は、LXI Device Specification 2011 rev.1.4に準拠したLXI Core 2011と完全に互換性のあるLXI機器です。LAN接続により外部PC端末からリモート制御することが可能です。例えば、遠隔地に設置されたLAN接続D/Aボックスをインターネット経由で制御・データ生成することが可能になります。
LAN接続A/Dボックスは、LXIコンソーシアムによってテストおよび承認されています。フロントパネルには、メインのオン/オフスイッチの他に、LXIおよび集録ステータスを示すLED、およびLANリセットスイッチがあります。
- 組込みサーバーオプション
このオプションにより、A/Dボックス・D/Aボックスが強力なコンピュータになり、小規模なリモートデータ収集システムで独自のプログラムを実行できます。A/Dボックス・D/Aボックスは、より多くのメモリ、強力なCPU、自由にアクセスできる内部SSD、およびリモートソフトウェア開発アクセス方法によって強化されています。組込みサーバーオプションは、SSHを介して組込みLinuxサーバーに直接アクセスできるようにします。また、A/Dボックス・D/Aボックスのリモート制御機能も 100%利用することができます。 組込みサーバーオプションを利用すると、取得したデータに基づいて結果を事前に計算し、データをローカルに保存し、必要なデータまたは結果部分のみをクライアント側に転送することができます。 組込みサーバーのもう一つの用途は、監視/ロガーアプリケーションです。これは、数日間完全に独立して実行でき、LAN経由で通知メールを送信したり、再接続されるとすぐに保存されたデータをオフロードしたりできます。
- MADE IN GERMANY -信頼のドイツ製-
1989年にドイツGrosshansdorfで設立されたSpectrum Instrumentation社は、信号取得および信号生成用の超高速で高分解能の計測用ボードシステム製品を開発および製造しているデータアクイジションのリーディングメーカーです。PCカード(PCIe/PXIe)又はスタンドアロンイーサネットユニット(LXI)として利用可能な 200種類を超えるさまざまなデジタイザおよび任意波形発生器(AWG)を提供する独自のモジュラーコンセプトを採用しています。この幅広い製品ラインナップにより、お客様のニーズに合わせた最適なソリューションを提供することができます。
Spectrum社のユーザは、国際的な製造企業だけでなく主要な大学や研究機関も含まれます。例えば、Spectrum社の製品はCERN(欧州原子核研究機構)の粒子加速器や量子研究で使用されており、これは製品が非常に低ノイズで正確であるため、個々の原子の誘導にも使用できるためです。国際的なサービスと販売ネットワークで、ヨーロッパ、アジア、オーストラリア、アメリカなどすでに39か国以上のお客様にご利用いただいています。
- アプリケーション
- AE18:シュトゥットガルト大学での原子物理実験
- digitizerNETBOXシリーズのご紹介
- SPECTRUM製品ラインナップのご案内
1989年に設立されたSpectrum Instrumentation社は、モジュラー設計技術を使用して、業界をリードするPCカード(PCIeおよびPXIe)およびスタンドアロンイーサネットユニット(LXI)として200製品を超えるデジタイザーおよびジェネレーター製品を設計・製造しています。
Spectrum Instrumentation社は、30年以上にわたり世界中のお客様に高度な製品を提供し、その信頼性において高い評価を得ています。
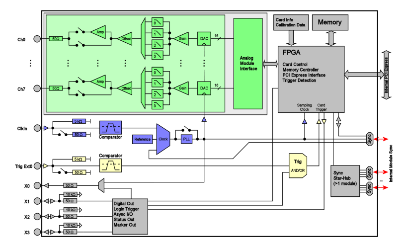
ブロック図
スペック
| D/Aサンプリングレート | 125MS/s |
| 出力コネクタ | BNC female 8ch |
| 分解能 | 16bit |
| サンプリング | 全チャンネル同時サンプル |
| 出力レンジ (1MΩ) | ±2V ~ ±12V |
| 出力レンジ (50Ω) | ±1V ~ ±6V |
| 出力モード | Single-Shot, Loop, FIFO, Sequence Replay Mode, Gated, その他 |
| ホストインタフェース | Gigabit Ethernet (LXI規格) |
| GUIソフトウェア | SBench 6 Professional対応 |
| サポートOS | Windows 7, 8, 10, Linux |
| 動作温度 | 0 ~ +40℃ |
| 寸法 | 366 x 267 x 87 mm |


