概要
DN6.962-24は、マルチトーンDDSを搭載した625MHz 16bit 24ch のLAN接続データ生成装置です。
DDS(ダイレクトデジタルシンセシス)は、単一の固定周波数リファレンスクロックから正弦波を生成する手法であり、信号生成アプリケーションで広く使用されています。Spectrum製のAWGプラットフォームに実装されたDDS機能は、複数の「DDSコア」を追加してマルチキャリア(マルチトーン)信号を生成するという原理に基づいています。各キャリアは、明確に定義された周波数、振幅、位相を持ちます。これらの静的パラメータに加えて、周波数スロープや振幅スロープなどの動的パラメータも組み込まれており、複数のコアに固有の線形変化を可能にします。
レーザ、量子コンピュータなどのアプリケーションに最適です。
- 仕様
-
D/Aコンバータ 625MHz, 16bit, 24ch DDS周波数帯域 DC ~ 200MHz ドライバ Windows, Linux タイプ ボックス - DN6.962シリーズ共通機能
- ▮ FPGAベースDDS搭載の高速16ビットDAC
▮ 625MS/sのDAC出力レートを備えた12、16、20、または24チャンネル
▮ DDS周波数:DC~200MHz
▮ DDSコマンド設定:周波数、振幅、位相、周波数スロープ、振幅スロープ、トリガー待機、デジタル出力
▮ DDSコマンドは6.4ns間隔で発行可能
▮ 出力レベル:±80mV~±2.5V(50Ω負荷時)(高インピーダンス負荷時:±160mV~±5V)
▮ トリガーから出力までの固定遅延
▮ 512Mi DDSコマンド対応の大容量オンボードメモリ
▮ AND/OR機能付き2つのトリガー入出力×2
▮ 対応OS:Windows、Linuxを標準サポート
▮ プログラミング言語:C, C++, C#, Python, Julia, Java, VB.NET, Delphi
▮ ソフトウェアドライバ: LabVIEW、MATLAB
- マルチトーンDDSモード
DDS(ダイレクト・デジタル・シンセシス)は、単一の固定周波数リファレンスクロックから正弦波を生成する手法で、信号生成アプリケーションで広く使用されています。Spectrum Instrumentation製のAWGに実装されているDDS機能は、複数の「DDSコア」を加算してマルチキャリア(マルチトーン)信号を生成するという原理に基づいています。各キャリアは、明確に定義された周波数、振幅、位相を持ちます。右側の周波数プロットには16個のトーンが表示されています。これらの静的パラメータに加えて、周波数や振幅の傾きなどの動的パラメータも組み込まれており、複数のコアに固有の線形変化を可能にします。
右図は、1つのコアに対する3つのコマンドシーケンス例です。
ステップ1では、100%の振幅で20MHzの固定周波数、ステップ2では10MHz/sの傾斜で10秒間の周波数ランプと100%の振幅、そしてステップ3では60%の振幅で120MHzの固定周波数が示されています。各ステップは、モード、周波数、振幅、タイミングを設定する3~4つの単一行コマンドで構成されています。
各コアは、まとめて出力することも、特定のハードウェア出力チャネルにルーティングすることもできます。高速DMAモードにより、個別のDDSコマンドシーケンスを使用して、整形された傾斜や変調された正弦波信号など、より高度な周波数変更をプログラミングできます。
- LXI (LAN eXtensions for Instrumentation) について
- LAN接続D/Aボックス製品は、LXI Device Specification 2011 rev.1.4に準拠したLXI Core 2011と完全に互換性のあるLXI機器です。LAN接続により外部PC端末からリモート制御することが可能です。例えば、遠隔地に設置されたLAN接続D/Aボックスをインターネット経由で制御・データ生成することが可能になります。

- LAN接続D/Aボックスは、LXIコンソーシアムによってテストおよび承認されています。フロントパネルには、メインのオン/オフスイッチの他に、LXIおよび集録ステータスを示すLED、およびLANリセットスイッチがあります。

- 組込みサーバーオプション
このオプションにより、A/Dボックス・D/Aボックスが強力なコンピュータになり、小規模なリモートデータ収集システムで独自のプログラムを実行できます。A/Dボックス・D/Aボックスは、より多くのメモリ、強力なCPU、自由にアクセスできる内部SSD、およびリモートソフトウェア開発アクセス方法によって強化されています。組込みサーバーオプションは、SSHを介して組込みLinuxサーバーに直接アクセスできるようにします。また、A/Dボックス・D/Aボックスのリモート制御機能も 100%利用することができます。 組込みサーバーオプションを利用すると、取得したデータに基づいて結果を事前に計算し、データをローカルに保存し、必要なデータまたは結果部分のみをクライアント側に転送することができます。 組込みサーバーのもう一つの用途は、監視/ロガーアプリケーションです。これは、数日間完全に独立して実行でき、LAN経由で通知メールを送信したり、再接続されるとすぐに保存されたデータをオフロードしたりできます。
- MADE IN GERMANY -信頼のドイツ製-
1989年にドイツGrosshansdorfで設立されたSpectrum Instrumentation社は、信号取得および信号生成用の超高速で高分解能の計測用ボードシステム製品を開発および製造しているデータアクイジションのリーディングメーカーです。PCカード(PCIe/PXIe)又はスタンドアロンイーサネットユニット(LXI)として利用可能な 200種類を超えるさまざまなデジタイザおよび任意波形発生器(AWG)を提供する独自のモジュラーコンセプトを採用しています。この幅広い製品ラインナップにより、お客様のニーズに合わせた最適なソリューションを提供することができます。
Spectrum社のユーザは、国際的な製造企業だけでなく主要な大学や研究機関も含まれます。例えば、Spectrum社の製品はCERN(欧州原子核研究機構)の粒子加速器や量子研究で使用されており、これは製品が非常に低ノイズで正確であるため、個々の原子の誘導にも使用できるためです。国際的なサービスと販売ネットワークで、ヨーロッパ、アジア、オーストラリア、アメリカなどすでに39か国以上のお客様にご利用いただいています。
- SPECTRUM製品ラインナップのご案内
1989年に設立されたSpectrum Instrumentation社は、モジュラー設計技術を使用して、業界をリードするPCカード(PCIeおよびPXIe)およびスタンドアロンイーサネットユニット(LXI)として200製品を超えるデジタイザーおよびジェネレーター製品を設計・製造しています。
Spectrum Instrumentation社は、30年以上にわたり世界中のお客様に高度な製品を提供し、その信頼性において高い評価を得ています。
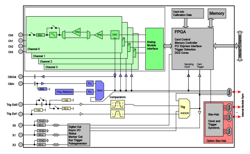
ブロック図
スペック
| D/Aサンプリングレート | 625 MS/s |
| 出力チャンネル数 | 24 ch |
| 出力コネクタ | SMA female |
| 分解能 | 16 bit |
| 帯域幅 | 200 MHz |
| DDSメモリ | 512 Mi Commands |
| 出力レンジ(50 Ohm) | ±80 mV ~ ±2.5 V (プログラマブル) |
| 出力レンジ(High Impedance) | ±160 mV ~ ±5 V (プログラマブル) |
| DDSコア数 | 50コア |
| DDSコマンド | 周波数設定、振幅設定、位相設定、周波数スロープ設定、振幅スロープ設定 |
| ホストインタフェース | Gigabit Ethernet (LXI規格対応) |
| 動作温度 | 0 ~ +40℃ |
| 保存温度 | -10 ~ +70℃ |
| 湿度 | 10 ~ 90% |
| サイズ | 464 x 431 x 131 mm |
| 重量 | 13.4 kg |


